Royal - 72" x 32.5" Stainless Steel Heavy Duty Thermostatic Griddle - RTG-72
Model Number: CELC-RTG-72
Free Shipping Insurance
Free Delivery Over $149*
Some exclusions apply for remote regions and large items.
Extended Holiday Returns
Price Match Guarantee
Have questions? Your phone number is never stored.
Description
The Royal 72" Stainless Steel Heavy Duty Thermostatic Griddle is a commercial-grade cooking appliance built to excel in demanding kitchen environments. Boasting a roomy 24" cooking depth and a low-profile design, it offers ample cooking space suitable for preparing a wide array of menu items, making it an ideal choice for busy kitchens. The griddle's efficient grease management system, featuring a large 1½-gallon capacity stainless steel grease can, ensures a clean and organized cooking area during peak operations. Crafted with a robust compact heavy gauge chassis and stainless steel sides, the griddle guarantees durability and simplifies cleaning. Furthermore, its double wall panels and aeration panels between burners contribute to maintaining cool side temperatures and optimizing heat efficiency. The Stainless Steel "U" shaped burners, each boasting a powerful 30,000 BTU/hr rating, provide consistent and reliable heat for your culinary creations. With an adjustable thermostat ranging from 150º to 450º F, precise temperature control ensures perfect results, while independent thermo control for each burner offers versatility in managing various cooking zones.
The 1" thick griddle plate, featuring a polished surface, ensures even heat distribution and is built to last. Cleaning is hassle-free with a 4" wide stainless steel grease trough and large drain opening. Supported by 4" high adjustable heavy-duty legs, this griddle offers stability and adaptability to your kitchen setup. Various optional accessories, including grooved griddle plates, chrome griddle options, and stainless steel equipment stands, add versatility to this culinary workhorse, making it a superb choice for establishments aiming to deliver consistent, high-quality cuisine.
Key Features:
- 24” cooking depth
- 11” high, Low Profile
- Large 1½ gallon capacity S/S grease can
- Compact heavy gauge chassis for long life
- Stainless steel sides and front valve cover
- Double wall panels for cooler sides
- Aeration panels between the burners for added efficiency
- Stainless Steel “U” shaped burner every 12”, rated at 30,000 BTU/hr
- Energy saving thermostat is adjustable from 150º-450º F
- 1” thick griddle plate with polished cooking surface
- Thermo control to operate every burner
- 4” wide S/S grease trough with large drain opening for easy cleaning
- Stainless steel tubing for burners and pilots
- 4” high adjustable heavy duty legs included
Options and Accessories:
- Grooved griddle
- Chrome griddle plate
- Stainless Steel Equipment Stand
Specifications
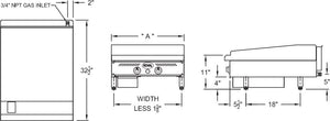
Dimensions
Width
72"
Depth
32.5"
Height
14"
Legs
4"
cooking surface depth
24”
Details
Product Weight
710 lb
Gas Pressure (Natural)
5” W.C.
Gas Pressure (Propane)
10” W.C.
Clearances / Combustible / Rear
6"
Clearances / Combustible / Sides
4"
BTU
1,80,000
No. Of Burners
6
No. Of Thermostats
6
Capacity
Large 1.5 Gallon
Griddle Plate Thickness
1"
Control
Thermo
Thermostat Temperature Range
150º-450º F
Model
RTG-72
Item Condition
New
Warranty / Certifications
Warranty
2 Years Limited Part And Labour Warranty
Certification
CSA Certified
Reviews
Royal is shipped free across Canada on orders over $149. Royal, headquartered in a state-of-the-art 52,000 square foot facility in Eastvale, California, is dedicated to innovation and practicality. They meticulously scrutinize every stage of development to maximize performance without compromising design integrity. Every product in the Royal catalog undergoes rigorous testing and continuous refinement, prioritizing performance over cost, in stark contrast to the prevailing trends of value engineering and foreign manufacturing.
